Общество с ограниченной ответственностью «МЕТРИКА»
620137, г. Екатеринбург, ул. Волховская, д. 20, эт. 1, оф. 113
+7 (343) 287-29-72
www.metrica-rf.ru
Контрольный образец МО-1 для МПД
Госреестр (ГРСИ): не указано
Контрольный образец для магнитопорошковой дефектоскопии МО-1 предназначен для оценки работоспособности дефектоскопов с намагничивающим устройством, имеющим электроконтакты или электромагнит с ярмом.
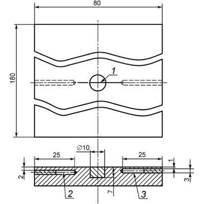
Образец представляет собой плоскую стальную плиту с размерами 180х80х12мм с одним поверхностным дефектом в виде узкого плоского паза и двумя подповерхностными дефектами в виде отверстий, находящихся на различной глубине от рабочей поверхности образца. При намагничивании образца на его рабочей поверхности создается неоднородное магнитное поле, эквивалентное магнитному полю естественных дефектов.
------------------------------------------------
Компания «МЕТРИКА» – надежный поставщик контрольно-измерительного оборудования и гарант сертифицированных работ по поверке, ремонту и калибровке приборов. Мы всегда учитываем пожелания: предлагаем различные формы оплаты, заключение договоров по форме заказчика, предоставляем персонального менеджера для постоянных клиентов. Наша команда готова найти решение вопроса любого уровня сложности. Будем рады ответить на ваши вопросы.













