Общество с ограниченной ответственностью «МЕТРИКА»
620137, г. Екатеринбург, ул. Волховская, д. 20, эт. 1, оф. 113
+7 (343) 287-29-72
www.metrica-rf.ru
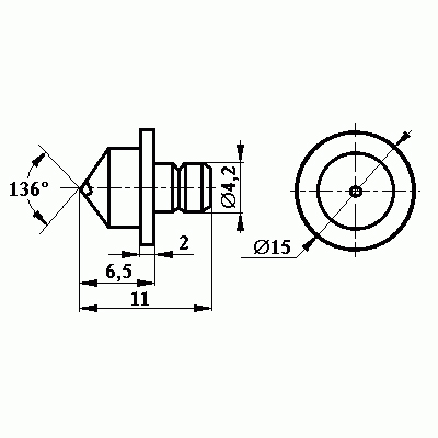
Наконечник алмазный НПМ для измерения микротвёрдости по методу Виккерса ct: 0,11-0,20
Госреестр (ГРСИ): не указано
Наконечники алмазные для измерения микротвёрдости металлов и сплавов. Наконечники изготовлены в соответствии с ГОСТ 9377-81 и прошли первичную поверку при выпуске из производства по ГОСТ 8.044-80.
Наконечник алмазный НПМ с рабочей частью в виде четырёхгранной пирамиды для измерения микротвёрдости.
Комплект поставки
- Наконечник алмазный - 1 шт.
- Паспорт - 1 шт.
- Пластиковый футляр - 1 шт.
------------------------------------------------
«МЕТРИКА» гарантирует высокое качество поставляемого оборудования и услуг по его поверке, ремонту и калибровке. Наша команда проводит метрологический аутсорсинг полного цикла с высокой точностью и в полном соответствии с требованиями и стандартами. Доставляем приборы по всей России курьерскими службами и транспортными компаниями. Наши специалисты готовы проконсультировать вас по любым интересующим вопросам.
Характеристики
| Диапазон каратности | 0,08-0,20 ct |
| Алмаз синтетический марки Va | (ТУ 47-12-88) |
| Геометрические размеры по ГОСТ 9377-81 | исполнение НК 1 |













